超聲波探傷中的近場區與盲區是什么
在超聲波探中常常會遇到兩個容易混淆的概念——近場區與盲區。如何區分二者呢,看完這篇文章你就懂了。
近場區
近場區也叫菲涅爾區近場區也叫菲涅爾區,是由于波的干涉而在波源附近出現一系列聲壓極大值極小值的區域。波源軸線上最后一個聲壓極大值至波源的距離稱為近場區長度。近場區的存在會導致缺陷回波的定量不準確。與近場區相近的概念還有遠場區,遠場區就是近場區距離(N值)以外的區域。
![]()
超聲波聲場圖
近場區通常是由于波源附近聲波干涉而產生的,近場區內的超聲波聲壓不規律,缺陷回波定量不準。并且近場區長度是通過計算得出。具體計算公式如下:
![]()
(其中N為波長, Ds為波長, λ為波長,Fs為波源面積)
近場長度主要與聲源面積的大小和頻率高低有關,聲源面積越大,近場長度就越大:頻率越高、波長λ越小,近場長度越大。由于近場區檢測定量困難,處于極小值的較大缺陷回波可能較低,而處于極大值的較小缺陷回波由于聲壓的疊加而較高,所以極易引起誤判,甚至漏檢。所以不適合在近場區內進行超聲波探傷。在近場區內,實際聲場與理想聲場存在明顯區別,實際聲場軸線上聲壓雖也存在極大極小值,但波動幅度小,極值點的數量也明顯減少。
盲區
超聲波探傷儀在探傷時由于換能器(探頭)發送超聲波后產生余震導致不能識別回波,造成一部分區域檢測不到,這部分區域就叫做盲區。盲區有時候也被稱為分辨力。在超聲波檢測系統中,分辨力分為橫向分辨力和縱向分辨力,其中縱向分辨力又被分為入射分辨力(上盲區)和底面分辨力(下盲區)。
盲區主要是由于儀器的發射脈沖特點和放大器性能而引起。盲區是缺陷回波信號不能被放大顯示出來的區域。其大小需通過測試測出。盲區大小測試主要有以下兩種方式:
(1)測發射脈沖的死區時間(指的是脈沖回波技術時,放大器由于發射脈沖而飽和,使得發射脈沖啟始后無法響應輸入信號的時間)
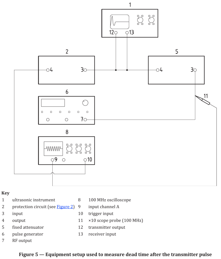
見EN12668.1:2010和ISO22232-1-2020中的相應部分,得出的是時間,一般要求是不大于10μs。ISO22232-1-2020規定的測試示意圖如下:
(2)采用試塊近似測試
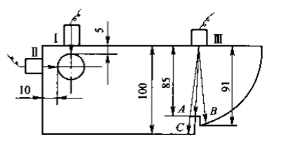
通用原理就是探測不同深度的反射體,找到最近的那個反射體,要求該反射體的回波能和始脈沖獨立識別,這個最近的距離就是盲區。得出的距離。通常利用CSK-1A試塊上Φ50有機玻璃圓弧面距兩側邊緣5mm和10mm的邊距來測盲區大小,若探頭置于I處有獨立回波則盲區小于等于5mm。若I處無獨立回波,II處有獨立回波,則盲區在5~10mm之間。若II處仍無獨立回波,則盲區大于10mm。(此處的“獨立”意思是回波高度超過滿屏50%以上時,且回波前沿和始波后沿相交的波谷滿足低于10%滿刻度)盲區的測試還可以用DZ-I試塊進行,測試原理相同。
DZ-1標準試塊
影響盲區大小的因素主要有三個(儀器的發射功率、信號帶寬和探頭的設計)發射功率大,檢測靈敏度大,信號強度大,始脈沖寬,盲區大。所以在達信號的帶寬越窄,信號脈沖寬度越大,盲區越大。通過提高儀器和探頭的組合帶寬,可以有效減少盲區;采用延遲塊可以減少盲區,雙晶探頭采用一發一收形式,發射晶片和接收晶片之間采用隔聲層隔離,克服了發射聲束和接收聲束間的相互干擾和阻塞,同時也帶有延遲塊,也可以有效減少盲區。






渝公網安備 50010902001682號